万象城在线(中国)系列马达

——

产品分类
— PRODUTC —
  • 万象城在线(中国)后油口系列马达
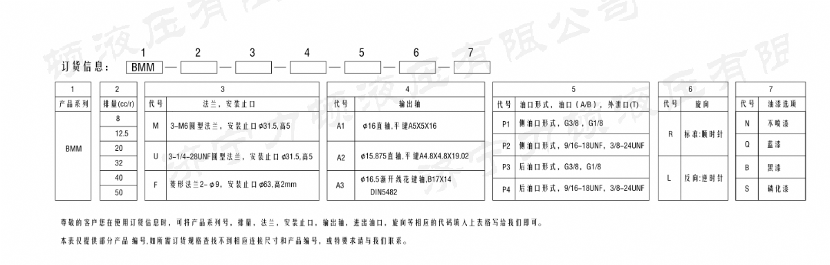
    1. 万象城在线(中国)后油口系列马达万象城在线(中国)后油口系列马达万象城在线(中国)后油口系列马达万象城在线(中国)后油口系列马达万象城在线(中国)后油口系列马达万象城在线(中国)后油口系列马达万象城在线(中国)后油口系列马达万象城在线(中国)后油口系列马达万象城在线(中国)后油口系列马达万象城在线(中国)后油口系列马达万象城在线(中国)后油口系列马达万象城在线(中国)后油口系列马达万象城在线(中国)后油口系列马达

万象城在线(中国)后油口系列马达

地址:山东省济宁市任城区聚源电商小镇4号楼21号 

电话/微信:135-0638-8161(张经理)
电话/微信:135-8376-7126(李经理)
电话:0537-2635166
传真:0537-2635199   2310286


er

信息详情



万象城在线(中国)后油口系列马达 2023-7-18 本文被阅读 3020次
上一条:BM6刹车系列马达下一条:FRE系列车轮万象城在线马达

同类产品